SS-94B/2-2时间继电器概述
SS-94B/2-2时间继电器用于电力系统二次回路的继电保护及自动控制中,作为延时元件,使被控元件达到所需延时,以实现保护的选择性配合,保护电力系统安全可靠运行。
SS-94B/2-2时间继电器结构特点
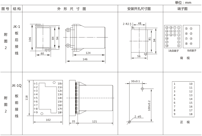
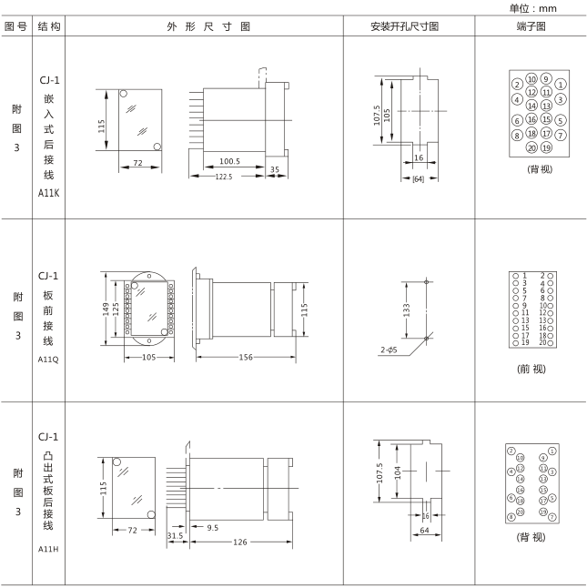
SS-94B/2-2时间继电器采用A11K、 A11H、 A11Q、 JK-1、 JK-1Q売体,外形尺寸、 安装尺寸见本手册附录。可方便地改变整定值,拔出机芯,可方便地进行维修。整定值采用数码拨盘整定,采用晶体振荡器减小了误差。增加了时间补偿预置电路,对于极短的延时值具有极高的精度。
SS-94B/2-2时间继电器主要技术参数
SS-94B/2-2时间继电器主要技术数据见表。

SS-94B/2-2时间继电器背后端子接线图及外引接线图 (背视图)

SS-94B/2-2时间继电器外观及开孔尺寸




时间继电器系列
打印当前页
查看及下载技术文档
发邮件给我们: 3395670869@qq.com